浙江蓝狮在线液压科技股份有限公司
蓝狮在线液压产品覆盖工程、农业、矿山、工业、环保和军工等各类车辆配套的液压阀、油缸

手机版 微官网 English


销售热线

技术热线:0576-85183757


多路阀系列

所在位置:首页 液压产品 > 多路阀系列 >


关键词:多路阀系列先导阀系列制动阀系列操纵阀系列农机阀系列转向阀系列

>

产品分类 Product Lists

全国服务热线:

0576-85182037

产品样册下载

销售电话:0576-85182037
技术电话:0576-85183757
传真号码:0576-85182843
联系邮箱:haihong@cn-hydraulic.com
公司地址:浙江省临海市江南街道金岭路199号


产品特点

  • 6通多路阀;

    紧凑的片式结构,可针对不同机器的需要组合相应的控制阀组;

    控制方式:手动、液控、电控;

    回路形式:并联回路;

    负载敏感控制;

  • 多路阀结构紧凑压力损失小;

    通过一次二次溢流阀保护系统;

    微动特性好,操控准确度高;

    起升双泵合流工作,倾斜或属具单泵工作,提高了效率,降低整车温度。


应用领域

应用于叉车、物流搬运机械等工程机械。

技术参数(对超出下述参数的应用场合,请与我公司联系)

概述

通径

18 mm

公称压力

200 bar

最大压力

230 bar

公称流量

120 L/min

最大流量

160 L/min

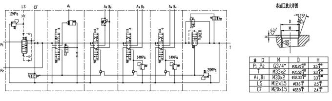
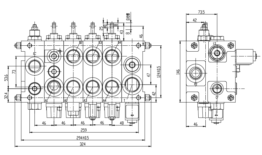
外形安装尺寸及原理图

12


13


应用说明

该系列多路阀提供一种合流起升负载敏感多路阀,该阀匹配双泵结构,通过内部反馈油道控制卸荷单向阀来控制其中一个泵的工作和卸荷,当需要起升动作时,反馈油关闭卸荷单向阀,双泵合流去起升;当需要倾斜或属具工作时,反馈油打开卸荷单向阀,其中一个泵卸荷,这样能有效的提高效率,降低整车温度。另外该阀采用负载敏感设计,能实现输出流量与阀杆的行程变化的匹配,操控性能大大提高。

相关产品



蓝狮在线液压

销售热线:0576-85182037


技术热线:0576-85183757   传真号码:0576-85182843
联系邮箱:haihong@cn-hydraulic.com   公司地址:浙江省临海市江南街道金岭路199号

友情链接: 多路阀系列 先导阀系列 制动阀系列 操纵阀系列 农机阀系列 转向阀系列 Sitemap TXT Sitemap XML 网站地图

微信二维码
微信官网

手机端二维码
手机官网